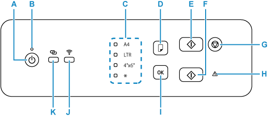
แผงการทำงาน

- A: ปุ่ม พลังงาน(ON)
-
สำหรับเปิดหรือปิดเครื่อง ก่อนที่จะเปิดเครื่อง ให้ตรวจสอบว่าฝาครอบเอกสารปิดอยู่
- B: สัญญาณไฟ พลังงาน(ON)
- ไฟจะกะพริบและติดสว่างเมื่อทำการเปิดเครื่อง
- C: สัญญาณไฟ กระดาษ(Paper)
- สว่างตามขนาดกระดาษปัจจุบัน
- D: ปุ่ม เลือกกระดาษ(Paper Select)
- เลือกขนาดกระดาษของเครื่องพิมพ์
- E: ปุ่ม สีดำ(Black)
- เริ่มการทำสำเนาขาวดำ ฯลฯ
- F: ปุ่ม สี(Color)
- เริ่มการทำสำเนาสี ฯลฯ
- G: ปุ่ม หยุด(Stop)
-
ยกเลิกการทำงานในขณะที่กำลังดำเนินการพิมพ์ คัดลอก หรือสแกนเอกสาร คุณยังสามารถกดปุ่ม หยุด(Stop) ค้างไว้เพื่อดำเนินการบำรุงรักษาหรือกำหนดการตั้งค่าอุปกรณ์
- H: สัญญาณไฟ เตือน(Alarm)
- สัญญาณไฟจะติดสว่างหรือกะพริบเมื่อเกิดข้อผิดพลาด
- I: ปุ่ม OK
- จบการตั้งค่าขนาดกระดาษ นอกจากนี้ยังใช้เพื่อแก้ไขข้อผิดพลาด
- J: ปุ่ม Wi-Fi
- เปิด/ปิดใช้งาน Wi-Fi ซึ่งจะติดสว่างเมื่อ Wi-Fi ถูกเปิดใช้งาน
- K: ปุ่ม เชื่อมต่อไร้สาย(Wireless connect)
-
เมื่อคุณกดปุ่มค้างไว้ ปุ่มจะสว่างขึ้น จากนั้นเครื่องพิมพ์จะเข้าสู่โหมดสแตนด์บายเพื่อการเชื่อมต่อที่ง่ายดายในพีซีและสมาร์ทโฟน

